1688工业品
工业行家选
企业采购
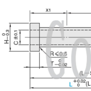
精密级司筒直推管ESV
¥
16
.5
/套
晚发必赔
广东深圳
询价
搜同款
1688工业品为您提供在线免费查询更多履带挖掘机详细参数、实时报价、规格一览表。更多关于履带挖掘机多少钱一台/履带挖掘机报价明细/履带挖掘机规格型号表/履带挖掘机价格一览表/履带挖掘机官方报价等咨询,尽在1688工业品。
询底价>
为你找到模具标准件相关产品
现货直销精密配件420模座用滚珠导柱组件快递发货日期标注组件
¥
10
售10+件
广东东莞
在线询价
台湾JUFAN台湾配件厦门昊盛工贸为您解忧愁
¥
1314
售10+套
福建厦门
在线询价
新品热卖模具配件钨钢DP定位销一件代发流道流量控制杆
¥
15
售10+件
广东东莞
在线询价
定制批发模具配件黄铜A型子母冲头快递发货螺钉拉杆
¥
25
售10+件
广东东莞
在线询价
厂家直销:慢走丝配件及耗材,法那克上绝缘板 A290-8111-Y527
¥
230
售10+个
广东东莞
在线询价
工厂生产异形冲头成型冲头,抽牙冲针,椭圆冲针六角冲头四方冲针
¥
20
售10+支
广东东莞
在线询价
进口VA空气梢空气销模具气顶 VA气顶 吹气阀空汽阀气动顶针
¥
55
售10+个
广东东莞
在线询价
厂家直供冲床吸铁器 吸铁器 冲压工具钳 小磁棒D5型
¥
2
.8
售200+套
浙江金华
在线询价
批发模具垃圾片 限位片 STA垃圾钉 模具垫片停止销16,20,25,28 30
¥
1
.6
售10+支
广东东莞
在线询价
专业定制精密配件C12Mo1V镶块挡块垫材质保障支承柱
¥
45
售10+件
广东东莞
在线询价
厂家直供:慢走丝配件及耗材,夏米尔皮带轮(白色)204448190
¥
150
售10+个
广东东莞
在线询价
供应空气梢、模具气顶、空气销、气顶 吹气阀等模具标准件 气喷嘴
¥
18
售10+个
广东东莞
在线询价
查看更多产品及报价
您可能在找
模具标准件
井盖
蜗杆
其他通用五金配件
放料阀
减压阀
相关商品推荐
厂家直供:慢走丝配件及耗材,法那科下机头C型轮弧 F8912XCI
现货销售 德国 HALDER 品牌 用于T型槽的螺帽 23010.0145 M8螺纹
专业批发慢走丝配件耗材,细孔放电零件,铜管夹头上部为牙型 E071
厂家订制精密配件不锈钢回针品质保证托司
厂家直供:慢走丝配件耗材,法那克下机头C型轮弧A290-8110-X770
精密无给油衬套 石墨铜套 铜合金导套 无油衬套 铜套 大量现货
东发标准冷冲模架加长加高导柱五金模架CB中柱模架滑动 非标模座
厂家直供冲床吸铁器 吸铁器 冲压工具钳 小磁棒D5型
新品热卖模具配件硬质合金拉模套做工精细分流锥
大量供应 冲床安全手 操作冲压好帮手 吸力大BA型
ER螺母,筒夹
厂家直销:专业批发销售慢走丝配件,法那科慢走丝上绝缘板 F314
定做硬质合金冲头 钨钢冲针 钨钢冲子 钨钢冲头 精密机械零件
专业生产精密配件SKH51中导套快递发货钢珠衬套
厂家直供模具配件高速钢流道顶出装置做工精细返回确认开关
厂家直供慢走丝线切割配件三菱浮球开关M721 S649N899P14
供应浮升销 十字梢 浮升梢 顶料销 浮料销 T型销 导料销
排气式进口树脂开闭器尼龙拉钩胶塞日本韩国开闭器耐高温300度
来料加工精密配件DC11回位销物流发货带肩推杆
供应各种规格锥度销
热门搜索趋势
快速扳手
欧美皮衣外贸原单
大连湾海鲜
网络接收器
皮裙半身裙 秋冬
开业花篮竹编
led cob射灯
低帮系带帆布鞋男
在线寻源
3000行家正在找货