1688工业品
工业行家选
企业采购
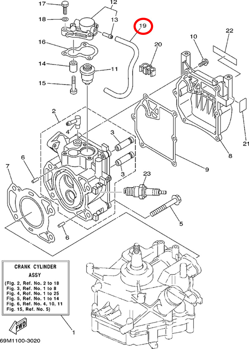
19)翟墨DEMONS舷外机船外挂机橡皮艇节温器盖回水软管90445-09808
¥
5
/件
晚发必赔
浙江金华
询价
搜同款
1688工业品为您提供在线免费查询更多履带挖掘机详细参数、实时报价、规格一览表。更多关于履带挖掘机多少钱一台/履带挖掘机报价明细/履带挖掘机规格型号表/履带挖掘机价格一览表/履带挖掘机官方报价等咨询,尽在1688工业品。
询底价>
为你找到船舶专用配件相关产品
WD618系列船用柴油机原厂配套空气中冷器612600120029Z
¥
4500
售10+件
山东淄博
在线询价
船舶物资供应PIELSTICK22x16.1x1紫铜床DODGE轴承专用配件发动机
¥
1
售10+套
广东广州
在线询价
适配Yamaha 40-60马力船外机螺旋桨 不锈钢船用螺旋桨
¥
700
售60+个
山东青岛
在线询价
12L船外机外置油箱油桶雅马哈百胜凌轩派尼尔等通用
¥
190
售10+件
浙江金华
在线询价
强东60马力电动船机电推快艇电动推进器电动舷外机
¥
2000
售10+件
河北沧州
在线询价
适用于 L80GF(GB)机型船用柴油机备件推荐
¥
6
万
售10+件
河北秦皇岛
在线询价
适配雅马哈40马力船外机螺旋桨 船用铝合金螺旋桨
¥
220
售10+个
山东青岛
在线询价
厂家供应船用KY65磅舷外机推进器电瓶桨船尾机改
¥
1600
售10+个
浙江宁波
在线询价
供应帕金斯维修发电机组配件节温器4133L032
¥
1352
售10+件
广东深圳
在线询价
供应杭发D12船用柴油机空滤,空气滤芯,空滤总成
¥
90
售10+只
山东淄博
在线询价
适配铃木40马力船外机螺旋桨 船用铝合金螺旋桨
¥
220
售10+个
山东青岛
在线询价
船用电动推进器 电挂桨 船外机 船用 挂浆机 电动马达推进器
¥
1
.2
万
售10+件
浙江舟山
在线询价
查看更多产品及报价
您可能在找
其他船舶专用配件
船用发动机配件
缆绳、锚绳
船锚、锚链
集装袋
集装箱
相关商品推荐
供应日本三菱柴油发电机组 水温传感器ES2PM-200
供应三菱S12R发电机增压器TD13L-48QRC件号49182-04030
安泊顿 船用增压器消音器
适用于 RND90M机型船用柴油机备件推荐
轮船烟囱脱硫脱氮黑烟捕集排气净化装置
供应帕金斯柴油发电机组零部件 缸套胶圈OE52244
供应日本三菱柴油发动机6D16水泵总成
安泊顿 船用增压器油泵
供应瑞典沃尔沃柴油发电机组 冷却液管子TAD1630GE
优惠船舶物资-供应洋马YANMAR各种机型系列气缸套
【特卖】适用于RL90机型船用柴油机备件推荐
供应船舶康明斯6CTA8.3发动机付机海水泵总成3964765
适配雅马哈40马力船外机螺旋桨 船用铝合金螺旋桨
10寸不锈钢船外机螺旋桨雅马哈款9.9马力15马力适用
船舶物资供应PIELSTICK22x16.1x1紫铜床DODGE轴承专用配件发动机
适用于 RTA52U机型船用柴油机备件推荐
淄博淄柴Z8170船用柴油机海水泵Z8170-30
新远船舶出售适用于K74EF的柴油机备件
适配115-300马力船外机 铝合金弓型阳极船用配件系列
YAMAHA雅马哈船外机2冲15马力橡皮艇冲锋舟专用船发动机 原装日本
热门搜索趋势
德国好博门把手
硬脂酰乳酸钙钠
短外套批发
内存卡32g
定做瓶子
男士长裤 商务时尚
围巾 雪纺
大码秋裤纯棉女
在线寻源
3000行家正在找货